* Powered by a24V-48V DC battery or DC power supply
* Pulse two-axis gantry synchronous control, two-axis independent control, or EtherCAT bus control options available
* One drive controls two motors, enabling synchronous orindependent control
* Two axes in one, saving space, with a total power of up to2 kw
* Functions and control requirements can be customized

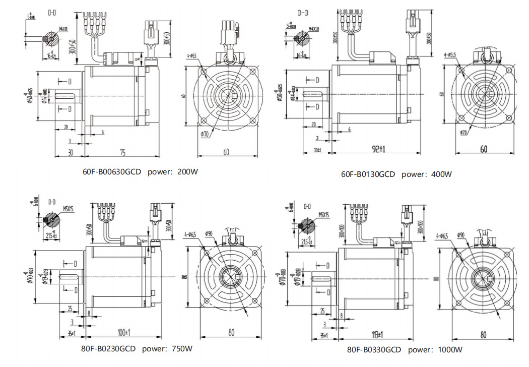
| Motor model | 60F-B00630GCD | 60F-B0130GCD | 60F-B0230GCD | 80F-B0230GCD | 80F-B0330GCD | ||||||||||||||||||||||||||||||
|---|---|---|---|---|---|---|---|---|---|---|---|---|---|---|---|---|---|---|---|---|---|---|---|---|---|---|---|---|---|---|---|---|---|---|---|
| Rated power (KW) | 0.2 | 0.4 | 0.6 | 0.75 | 1.0 | ||||||||||||||||||||||||||||||
| Rated line voltage (VDC) | 48 | 48 | 48 | 48 | 48 | ||||||||||||||||||||||||||||||
| Rated line current (A) | 6 | 11 | 17.5 | 20 | 25 | ||||||||||||||||||||||||||||||
| Rated speed (RPM) | 3000 | 3000 | 3000 | 3000 | 3000 | ||||||||||||||||||||||||||||||
| Maximum speed (RPM) | 4000 | 4000 | 4000 | 4000 | 4000 | ||||||||||||||||||||||||||||||
| Rated torque (N.M) | 0.64 | 1.27 | 1.91 | 2.39 | 3.3 | ||||||||||||||||||||||||||||||
| Peak torque (N.M) | 1.28 | 3.81 | 3.82 | 4.78 | 6.6 | ||||||||||||||||||||||||||||||
| Peak current (A) | 12 | 22 | 35 | 40 | 50 | ||||||||||||||||||||||||||||||
| Back EMF (V/1000r/min) | 6.9 | 7.6 | 7.0 | 7.7 | 7.7 | ||||||||||||||||||||||||||||||
| Torque coefficient (N.M/A) | 0.106 | 0.12 | 0.109 | 0.12 | 0.132 | ||||||||||||||||||||||||||||||
| Rotor inertia (KG.M2) | 0.28X10-4 | 0.52X10-4 | 0.77X10-4 | 1.48X10-4 | 2.27X10-4 | ||||||||||||||||||||||||||||||
| Winding (line) resistance (Ω) | 0.58 | 0.17 | 0.14 | 0.07 | 0.07 | ||||||||||||||||||||||||||||||
| Winding (line) inductance (MH) | 0.79 | 0.33 | 0.27 | 0.23 | 0.23 | ||||||||||||||||||||||||||||||
| Electrical time constant (MS) | 1.36 | 2.06 | 1.92 | 3.29 | 3.29 | ||||||||||||||||||||||||||||||
| Weight (KG) | 0.8 | 1.1 | 1.5 | 2.0 | 3.5 | ||||||||||||||||||||||||||||||
| Encoder bit number (Bit) | 17bit 5 pairs of poles | ||||||||||||||||||||||||||||||||||
| Motor insulation grade | Class F(130℃) | ||||||||||||||||||||||||||||||||||
| Protection level | IP65 | ||||||||||||||||||||||||||||||||||
| Usage Environment | Ambient temperature: -20℃ ~ +40℃ Ambient humidity: Relative humidity <90% (no frost conditions) | ||||||||||||||||||||||||||||||||||
| Motor winding socket | Winding leads | U(black) | V(blue) | W(brown) | PE(yellow-green) | ||||||||||||||||||||||||||||||
| Socket Number | 1 | 3 | 2 | 4 | |||||||||||||||||||||||||||||||
| Encoder socket | Signal lead | FG | VCC | GND | SD+ | SD- | VB+ | VB- | |||||||||||||||||||||||||||
| Socket Number | 9 | 7 | 8 | 1 | 4 | 5 | 6 | ||||||||||||||||||||||||||||


